Machine d'embouteillage à comptage automatique
Il peut compter plusieurs capsule s, comprimés en bouteille, adapté aux usines pharmaceutiques, aux produits de santé, à la production alimentaire, institutions de recherche scientifique conditionnement.
Application:
Répondre aux différents besoins de production de comptage ou d'embouteillage s, y compris 3-40 mm comprimés , taille #000-5 capsules et capsules molles.
 
     
      
     
      
     
     | - Profitez de la vidéo - | 
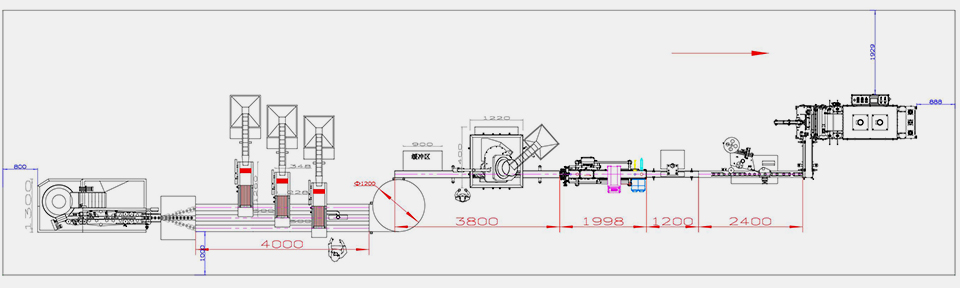
Ligne d'embouteillage à comptage automatique
 
  
    
  
 
| - Vous pourriez également avoir besoin de - | 
|   |   |   | 
| Obtenez un devis maintenant | 
| - Nous sommes un fournisseur du Fortune-500 - | 
  
  
| - Pourquoi ils nous choisissent - | 
Notre centre de service mondial fournit un débogage sur site
 
  
    
  
 
 
  
    
  
 
Dessin de conception gratuit d'une heure
 
 
Fichiers techniques et vidéos gratuits
  
| - Notre force - | 
Plus de 29 ans d'expérience dans la fabrication de machines de comptage
  
  
Inspection complète avant la livraison
  
Veuillez nous indiquer vos besoins, nous vous contacterons immédiatement et vous fournirons des fichiers techniques gratuits.
Un total de 0 pages